START
_______________

Projekty

CS9236 Moduł MIDI

BlackBOX 8.1

Yamaha MCD64
RAM Card


AKAI FMX-008
FlashROM Card


Yamaha SY99
firmware upgrade


Kabel SCSI
DB25-Centronics50
dla AKAI S2000


AKAI S2000
EPROM OS v2.0 Mod


YAMAHA Tx16w
Memory upgrade


AKAI FMX-016
FlashROM Card


Roland SNU cards
clone project


6U Rack Pack

Kurzweil K2000
P/RAM project


YAMAHA RAM4
Cartridge RE


YAMAHA RAM4
MultiCartridge

 

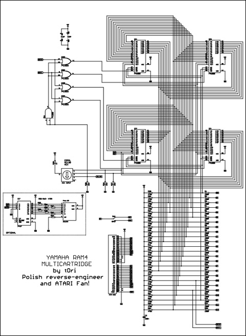
YAMAHA RAM4 MultiCartridge
 

     Postanowiłem zaprojektować na podstawie odtworzonego schematu cartridge RAM4
nowy cartridge dla Yamahy Tx802, który posiadałby pamięć nieulotną, jednakże bez
konieczności dołączania baterii podtrzymującej oraz posiadający więcej przestrzeni
dla danych. Pierwsze założenie zrealizowałem przez zastosowanie pamięci FM1808
Ramtron, które są pamięciami ferroelektrycznymi obsługiwanymi jak zwykłe pamięci
statyczne - nie tracą zawartości po odłączeniu zasilania. Drugie założenie - większa
ilość przestrzeni została zrealizowana poprzez dodanie kolejnych kostek pamięci oraz
zaprojektowanie logiki sterującej tak, aby przy pomocy przełącznika z wyjściem w
kodzie binarnym było możliwe przełączanie kolejnych banków. W prezentowanym
projekcie jest 8 pełnych kartridży RAM4 przełączanych obrotowym przełącznikiem
COPAL S1130. Dla zobrazowania numeru banku zastosowałem układ 7447 wraz z
siedmiosegmentowym wyświetlaczem LED - jednak to jest opcja, ponieważ w różnych
modułach/instrumentach - cartridge są inaczej widoczne. PCB została zaprojektowana
dla Yamaha TX802 i tak też są umieszczone przełącznik oraz display. W keyboardzie
musi być to zrobione inaczej (przeprojektowane i dopasowane). Nie zastosowałem w
projekcie mikrokontrolera do realizacj przełączania oraz sterowania wskaźnikiem LED.
Czysty układ TTL :)

     Działający prototyp

    Przełącznik jest z górnej strony PCB

   Schemat

Schemat w formacie Eagle
PCB w wersji dla TX802

     Taki cartridge to bardzo przydatna sprawa. Oczywiście jest możliwe zbudowanie
modułu o większej ilości pamięci i z pewnością ktos to zrobi. Mój projekt jest za to
całkowicie za darmo i może być zarówno projektem docelowym jak też i bazą do
kolejnych projektów. Konieczne jest tu także wykonanie odpowiedniej obudowy.
Najlepiej w druku 3D...

Polecam.

Projektowanie, rysowanie,  budowa, testy
zajęły mi trochę czasu i zużyły sporo środków.
 Proszę o uszanowanie tego
i niewykorzystywanie publikacji
do celów komercyjnych bez mojej zgody.
Przekazuję całość dokumentacji za darmo
do budowy cartridgy dla YAMAHA.

Dziękuję.

tOri